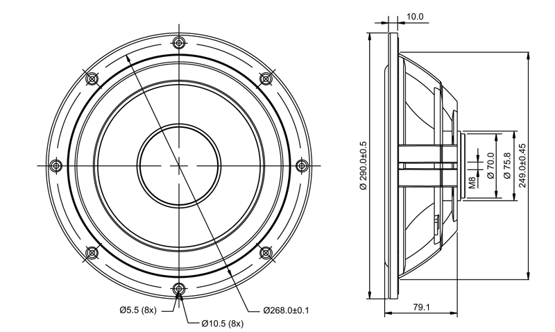
SBACOUSTICS > Passive Radiator > 10" SW29NRX-00

10" SW29NRX-00

SPECIAL FEATURES

  • Hard paper cone for improved piston operation (made in-house)
  • Cast aluminium chassis for optimum strength
  • Low damping medium hardness rubber surround for improved dynamic linearity and mechanical stability
  • Easily adjustable moving mass

  • Click to download PDF
加入購物車..
SW29NRX-00
SW29NRX-00-specs
SW29NRX-00-detail